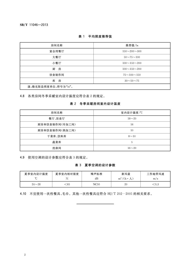
SB/T 11046-2013 建设节约型餐饮企业规范
咨询QQ
咨询热线:152-0755-8855 李老师
初审热线: 0755-28877669
投诉建议: 0755-27788992
Q Q通讯: 2283864039
工作邮件: xrd-iso@foxmail.com
网站:www.51guanbei.com