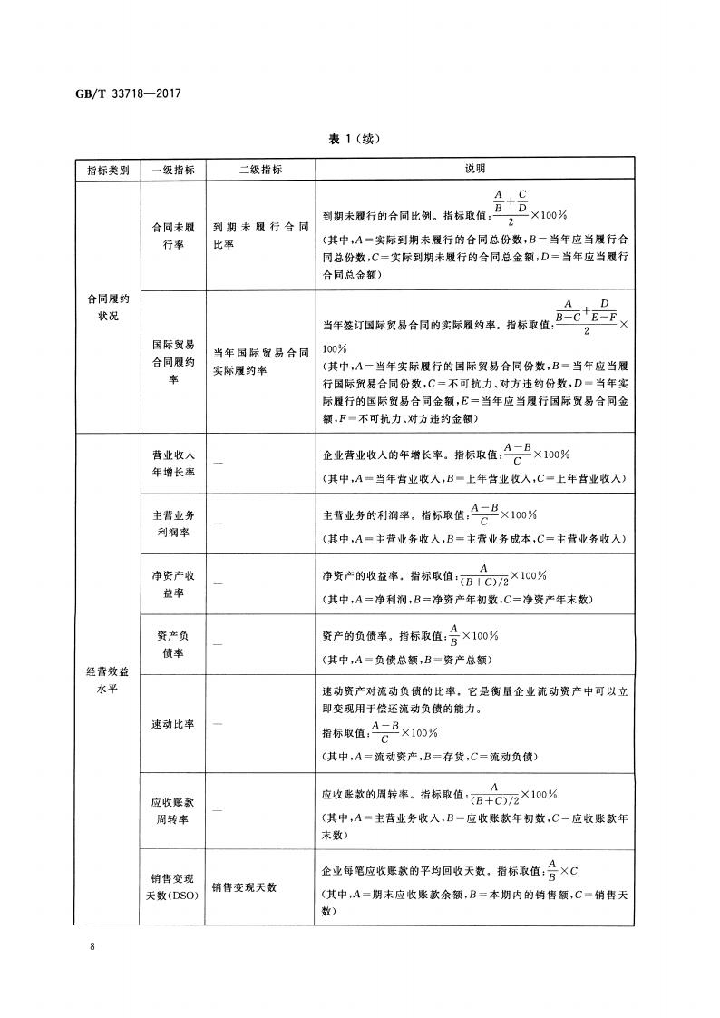
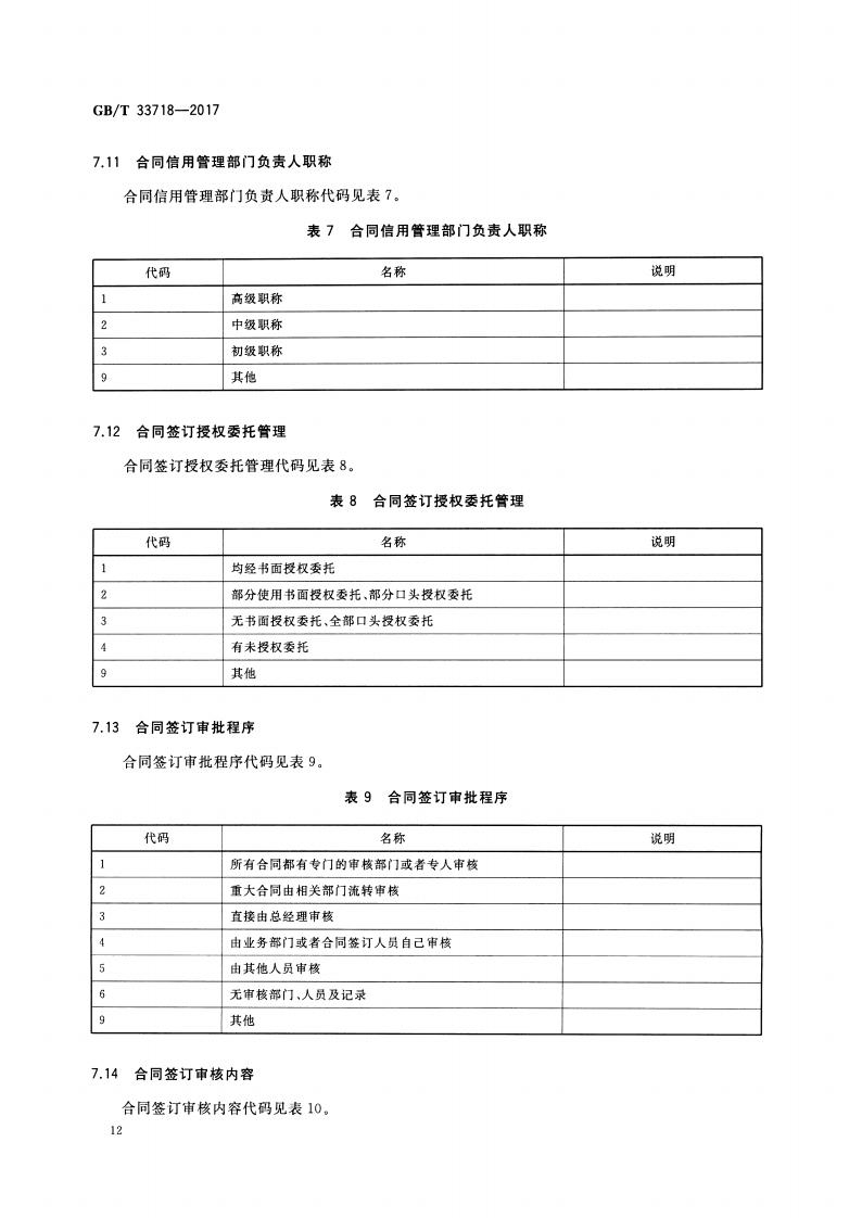
GB/T 33718-2017 企业合同信用指标指南
咨询QQ
咨询热线:152-0755-8855 李老师
初审热线: 0755-28877669
投诉建议: 0755-27788992
Q Q通讯: 2283864039
工作邮件: xrd-iso@foxmail.com
网站:www.51guanbei.com